爱豆传媒映视AV-爱豆传媒在线观看-爱豆传媒在线观看ID-爱豆传媒在线看-爱豆福利导航-爱豆福利导航网-爱豆视频-爱豆视频在线观看高清-爱豆视频在线观看免费-爱豆网站免费观看官网

bbin寶盈靈犀X1 PowerFlow L28產品手冊

發布時間:2025-01-14 15:27:03

1. 安全須知

· 了解產品:在使用該產品之前,請仔細閱讀產品手冊,了解產品的功能、操作方式以及安全注意事項。

· 遵循使用要求:確保機器在適宜環境中進行使用,避免過高或過低的溫度、潮濕環境等。

· 電源安全:操作前確保所有電纜、插頭、插座完好無損。遇到異常情況(如短路、過熱等)時立即斷開電源。

· 定期檢查:定期進行維護和檢查,確保機器的組件如電機、電源等正常運行,避免因老化或損壞導致的危險。

· 防止誤用:確保機器不會用于任何不當、危險或法律禁止的場景。


2. 產品簡介

2.1 產品概述

bbin寶盈靈犀X1 L28是一款高速度、大推力的通用推桿。采用高密度推力電機及高度集成驅動板,通過CANFD協議或4pin-USB控制,實現收縮/伸出功能,整機重量只有200g左右。

L28除了適合用于機器人之外,還適用于各種工業、服務領域。無論是用于設備的關鍵零部件,還是直接用于客戶端,都有很好的效果。

20.png


2.2 主要特性

  • 低成本線性關節

  • CANFD接口

  • 高推力密度

  • 高集成度一體驅動


2.3 產品參數


參數

典型值

重量

0.21kg

最大推力

110N

最大速度

50mm/s

最大行程

24mm

額定工作電壓

24V DC



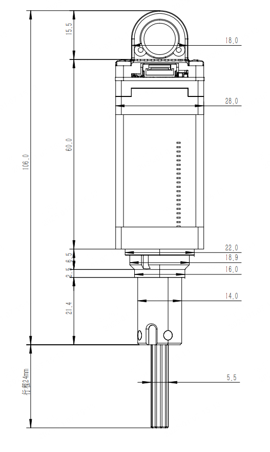
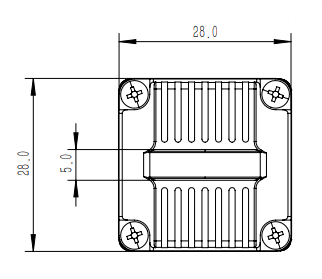
3. 產品尺寸信息

21.png

22.png

4. 電氣接口互聯

6PIN電源CAN通訊引腳定義:

序號

PIN定義

功能描述

1

DC-BUS

 

總電源輸入 24V

2

DC-BUS

3

CAN_H

CAN總線-高

4

CAN_L

CAN總線-低

5

PGND

總電源地

 

6

PGND

3PIN燒錄口引腳定義:

序號

PIN定義

功能描述

1

GND

電源地

2

SWCLK

燒錄時鐘線

3

SWDIO

燒錄數據線


5. 上位機調試說明


5.1 使用方法

準備一臺Windows系統的電腦,并下載上位機軟件REF-CLI v1.0.3.exe

確保L28的行程中沒有障礙物后,將L28上電。若一切正常,L28會自動收縮以尋找零位,若未能收縮則需停止使用,檢查L28運動是否流暢。

用 USB-4pin數據線將L28連接至電腦,并打開上位機軟件。等待上位機識別成功后,會有如下顯示:

23.png

此時,編號為 00003982464D 的設備在上位機中的索引名為 ref0 。

在上位機中直接鍵入 ref0 并敲擊回車,會顯示當前L28的基本信息。根據下圖所示,當前L28的固件版本為 206,CAN總線ID為1。

24.png


5.2 更改CAN-ID

ref0.can_node_id 代表CAN總線的節點ID。可以直接查看其數值,也可以使用 = 進行賦值。執行以下命令。

ref0.can_node_id=8    // CAN ID設置為8

25.png

所有的參數變更,都需要調用 save_config() 方法進行保存,而該操作需要在 失能 狀態下進行。

ref0.motor.request_state(0)    // 先將L28失能, 0代表失能,1代表使能
 
      ref0.save_config()             // 保存所有參數

26.png

注:所有參數變更,都在保存并重新上電后生效。


5.3 控制L28運動

1. L28重新上電。(默認上電自使能)

2. 等待L28自動收縮至零點。

3. 連接上位機,并調用 set_pos(x) 方法設置其位置,其中x為伸出值,范圍 0.0 - 9.5(對應至零點的距離為0 - 24mm,且為線性關系),0為全部收縮(即0mm),9.5為全部伸出(即24mm)。

   ref0.motor.ctrl.set_pos(0) // 將L28運動至零點處。
   ref0.motor.ctrl.set_pos(1) // 將L28運動至2.53mm處。
   ref0.motor.ctrl.set_pos(5) // 將L28運動至12.63mm處。
   ref0.motor.ctrl.set_pos(9.5) // 將L28運動至24mm處。


6. 通信接口及協議

PowerFlow系列執行器支持 CANFD 通信方式,仲裁域波特率 1M,采樣點80%,數據域波特率5M,采樣點75%。

L28在正常情況下,上電會自動使能并尋找零位,需要無須手動使能。


6.1 P2P模式

P2P模式下,上下行的報文ID相同,都是L28的節點ID,該參數可以在上位機中進行配置。

報文上下行的格式是一樣的,下行報文解析后會按照同樣的格式返回一幀狀態數據,定義如下:

MSG ID

DLC

D0

D1

D2

D3

D4

D5

D6

D7

can_node_id

8

pos cmd/state - raw float

cur cmd/state - raw float

?cur cmd/state :電流數據,小端格式,float類型,單位為 安培,范圍 0 ~ 2.5A

?pos cmd/state :位置數據,小端格式,float 類型,數值范圍 0 ~ 10.0,與實際伸縮距離的對應關系如下:

推桿伸出長度(mm) = 2.54 * pos


6.2 廣播模式

廣播模式下,報文ID固定為0,數據域長度為64,具體定義如下:

MSG ID

DLC

D0 - D7

D8 - D15

D16 - D23

D24 - D31

D32 - D39

D40 - D47

D48 - D55

D56 - D63

0

64

id 1

id 2

id 3

id 4

id 5

id 6

id 7

id 8

每個節點根據其ID選用數據域中的8個字節,例如 ID為2的執行器取用的數據段為 D8 - D15,解析方法與 P2P模式 相同。

注:由于數據長度有限,該模式下每條總線最多串聯8個節點,ID設置的范圍為 1 - 8 。


7. 其他

本手冊基于 PowerFlow L28 硬件 Ver1.1,軟件 Ver2.0.6 編寫。

其他產品手冊中未注明事項,請查閱bbin寶盈官網,或聯系bbin寶盈服務人員獲取信息。


主站蜘蛛池模板: 得荣县| 仪征市| 西乌珠穆沁旗| 许昌县| 丰县| 镇康县| 浦北县| 武定县| 韶山市| 吕梁市| 潍坊市| 河南省| 夏津县| 普宁市| 凭祥市| 东兴市| 特克斯县| 兴国县| 华阴市| 沽源县| 乌鲁木齐县| 沙湾县| 佛教| 兰西县| 平山县| 徐州市| 铜梁县| 贵南县| 弥渡县| 高州市| 宜宾县| 仪陇县| 扶沟县| 临邑县| 吴江市| 博客| 蓬溪县| 化州市| 通州市| 玛多县| 金乡县|